広東ルイサイト電気有限公司
広東ルイサイト電気有限公司
製品
縦型セラミック巻線抵抗器
  • 縦型セラミック巻線抵抗器縦型セラミック巻線抵抗器
  • 縦型セラミック巻線抵抗器縦型セラミック巻線抵抗器
  • 縦型セラミック巻線抵抗器縦型セラミック巻線抵抗器
  • 縦型セラミック巻線抵抗器縦型セラミック巻線抵抗器
  • 縦型セラミック巻線抵抗器縦型セラミック巻線抵抗器
  • 縦型セラミック巻線抵抗器縦型セラミック巻線抵抗器
  • 縦型セラミック巻線抵抗器縦型セラミック巻線抵抗器

縦型セラミック巻線抵抗器

RST Electric は、高密度 PCB レイアウトおよびシャーシ取り付け用に設計された省スペース電力抵抗器である垂直セラミック巻線抵抗器を発表します。ラジアルリードを備えた長方形のセラミックハウジングを特徴とするこの垂直セラミック抵抗器は直立し、基板の設置面積を最小限に抑えながら、優れた放熱性と機械的安定性を実現します。 1W~20Wの電力定格と0.1Ω~100kΩの範囲の抵抗値(巻線/金属フィルムのバリエーション)を備えており、スイッチモード電源、モータードライブ、家電製品、産業用制御などのアプリケーションに適しています。標準垂直(SQM)構成と特殊ワイドボディ(WS/WB)構成で利用可能なこのラジアルリード電力抵抗器は、はんだ付け性、絶縁耐力、温度サイクル、耐久性テストなどの厳しい品質基準を満たしています。 

設計上の利点


RST Electric の縦型セラミック巻線抵抗器は、限られた基板スペース内で高い電力損失を実現するという、現代のエレクトロニクス設計における共通の課題に対処します。かなりの直線的な基板面積を消費する水平アキシャルリード抵抗器とは異なり、このラジアル抵抗器は垂直に取り付けられ、リード線が長方形のセラミック本体の一端から出ているため、直立することができます。この配向により、同等のアキシャル リード コンポーネントと比較して PCB の設置面積が 50 ~ 70% 削減され、高密度に実装された電源、モーター ドライブ、家庭用電化製品に最適です。


構造、熱管理、構成


このセラミック封入抵抗器の構造は、熱管理と機械的堅牢性を優先しています。抵抗素子は、高パルス能力 (最小 0.1Ω) を実現する巻線構造、または低ノイズおよび高抵抗 (最大 100kΩ) を実現する金属膜で利用可能で、無機シリカ フィラーにカプセル化され、難燃性セラミック ケースに収容されています。垂直方向の配向により自然に対流冷却が促進され、ラジアルリードにより優れたはんだ接合強度による確実なスルーホール実装が実現します。 SQM シリーズには、標準の垂直パッケージに加えて、WS (ワイドボディ スリム) と WB (ワイドボディ拡張リード間隔) という 2 つの特別な構成が含まれており、さまざまな取り付け穴のパターンや電圧クリアランス要件に合わせた設計の柔軟性を提供します。


品質検証と製造の専門知識


各ユニットは包括的な検証を受けます。はんだ付け性テストでは、260±5°C、2 秒間で >90% のカバレッジを保証します。絶縁耐力は 500VAC で 5 秒間破壊しないことが検証されています。温度係数は ≤ ±250 ppm/°C に維持されます (標準の水平相当品より優れています)。 -55°C から +200°C までの温度サイクルにより構造の完全性が確認され、定格電圧での 1000 時間の耐久テストにより長期信頼性が検証されます。 10 倍の定格電力 (巻線) または 5 倍の定格電力 (金属フィルム) での過負荷試験により、パルス能力が確認されます。中国の信頼できる縦型セラミック抵抗器メーカーとして、RST Electric は 10 年以上にわたるパワー抵抗器の専門知識と精密製造を組み合わせて、性能を損なうことなく基板スペースを最適化するコンポーネントを提供しています。


技術仕様


パラメータ

仕様

シリーズ

SQM(縦型セラミック)

定格電力

1W、2W、3W、5W、7W、10W、10WS、10WB、15WS、15W、20W

抵抗範囲 (巻線)

0.1Ω – 10kΩ (電力定格による)

抵抗範囲(金属皮膜)

100Ω – 100kΩ (電力定格による)

許容範囲

±1%(F)、±2%(G)、±5%(J)、±10%(K)

温度係数 (TCR)

≤ ±250 ppm/°C (標準シリーズより改善)

最大動作電圧

150V – 1000V (電力定格による)

最大過負荷電圧

500V – 1500V (電力定格による)

耐電圧

AC500V 5秒間

絶縁抵抗

≥ 100MΩ @ 500V DC

動作温度範囲

-55℃~+200℃

ハウジング材質

難燃性セラミックス

カプセル化

無機シリカフィラー

終了

錫メッキ銅ラジアルリード

鉛の強度

10N引張試験、目立ったダメージなし

コンプライアンス

RoHS&CE



縦型セラミック巻線抵抗器の製品特長


1.省スペースの垂直方向 – ラジアルリード設計により直立実装が可能となり、アキシャルリードの代替品と比較して PCB の設置面積を 50 ~ 70% 削減します。

2.デュアルエレメントテクノロジー – 低抵抗 (0.1Ω) と高パルス機能を実現する巻線オプション。低ノイズ、高抵抗(100kΩ)の金属皮膜オプション。

3. 改善された温度係数 – ≤ ±250 ppm/°C により、標準のセラミック抵抗器と比較して動作温度範囲全体で優れた安定性を実現します。

4.難燃性セラミックハウジング – 優れた放熱性、電気絶縁性、機械的保護を実現するために、セラミックケース内に無機シリカフィラーが封入されています。

5. 複数のボディ スタイル – 標準垂直 (SQM)、ワイドボディ スリム (WS)、およびワイドボディ拡張リード間隔 (WB) 構成により、設計の柔軟性を実現します。

6.高温動作 – 安全に使用できるよう線形ディレーティングを備えた最大+200°Cの表面温度まで連続動作します。

7.精度公差 – 厳しい回路要件やコスト重視の設計に対応するために、±1% ~ ±10% で利用可能です。

8.堅牢なリード強度 – 10N 引張試験により、信頼性の高いスルーホール取り付けと振動耐性が保証されます。

9.標準化されたリード間隔 – 一貫したピッチ (5mm、7.5mm、8mm、10mm、12.5mm) により、一般的な PCB レイアウトおよび自動挿入装置に対応します。


製品の用途


業界

特定の用途

説明

電源

AC-DCコンバータ

コンパクトな電源アダプタの負荷抵抗、スナバ回路、およびブリーダー。

DC-DCコンバータ

基板実装モジュール内の電流検出および分圧器ネットワーク。

モータードライブ

サーボモーター制御

小型ドライブの制動抵抗器と電流リミッター。

ステッピングモータードライバー

電流検出抵抗とダンピングネットワーク。

家電製品

エアコンコントローラー

コンパクトな PCB アセンブリでのファン速度制御とサージ抑制。

冷蔵庫用インバータ

可変速コンプレッサードライブの DC リンク放電抵抗器。

洗濯機のドライブ

スペースに制約のある制御基板内のモーター制動抵抗器。

産業用制御

プログラマブル ロジック コントローラー

I/O モジュールのプルアップ/プルダウン抵抗と直列電流制限。

ビルディングオートメーション

端末ユニットの HVAC 制御ボード抵抗。

家電

テレビの電源基板

フラットパネル TV 電源のスナバ抵抗と消磁抵抗。

オーディオアンプ

コンパクトなアンプ設計のエミッタ抵抗と Zobel ネットワーク。

カーエレクトロニクス

LED照明モジュール

スペースに制約のある PCB アセンブリ内の電流検出抵抗。

ボディコントロールモジュール

ジャンクションボックス内の信号調整抵抗。

電気通信

基地局電源モジュール

コンパクトな配電ユニット内の負荷抵抗と分圧器ネットワーク。

ルーターおよびスイッチの電源

高密度ネットワーク機器の終端抵抗。


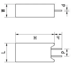
図面と寸法


Vertical Ceramic Wirewound Resistor

Vertical Ceramic Wirewound Resistor


梱包と発送


Vertical Ceramic Wirewound Resistor


RST Electric は、すべての縦型セラミック巻線抵抗器の安全な配送を保証します。

● バルク梱包: 抵抗器は、リードの曲がりやセラミックの損傷を防ぐために、発泡緩衝材を備えた帯電防止用ビニール袋に梱包され、段ボール箱に入れられます。

● リードの保護: ラジアルリードはまっすぐに保たれ、フォームエンドキャップで保護されています。

● 文書: 梱包リストと検査証明書は各荷物に同梱されます。

● 輸送オプション: 少量の場合は速達宅配便 (DHL/FedEx/UPS)、中量の場合は航空輸送、大量の注文の場合は船便。

すべてのユニットは梱包前に 100% 電気テストと目視検査を受け、指定された抵抗値と外観基準を満たしていることを確認します。


私たちについて


RST Electric は、縦型セラミック巻線抵抗器の製造を専門とする中国の法的に認定されたメーカーです。当社は、現代の電子設計における限られた PCB スペースという中核的な問題点に対処することに重点を置き、高性能かつ省スペースの抵抗ソリューションを世界中の顧客に提供することに取り組んでいます。当社は業界の縦型抵抗器の専門メーカーです。

生産プロセス全体を通じて、当社は完全なプロセスの自己管理を実現します。巻線部品の巻取り、金属皮膜の蒸着、梱包、最終検査まですべて社内チームで行っております。全工程自己管理モデルにより、各工程の外部委託による品質のばらつきを排除し、製品の品質の安定を実現します。当社は、透明なコスト構造と中間リンクを持たない工場直接供給モデルを堅持しており、お客様は信頼できる品質保証を享受しながら、高品質の抵抗器をより有利な価格で購入できるようになります。

当社の生産拠点はISO9001認証を取得し、ラジアルリードセラミック抵抗器の専用生産ラインを備えています。製造プロセスは標準化されており、厳密に管理されています。各垂直セラミック巻線抵抗器は、抵抗値、絶縁耐力、絶縁性能などの重要な指標をカバーする 100% の電気試験を受けています。また、製品の安定動作を保証するため、温度サイクル試験、耐久性試験、湿度試験など、IEC 60115規格に準拠したサンプル試験も実施しています。当社のエンジニアリング チームは経験豊富で、スペースに制約のあるシナリオでのパワー レジスタのアプリケーションに重点を置き、お客様に専門的な技術サポートを提供します。

安定した製品品質と専門的なサービスにより、当社は世界的な電力機器メーカー、家電 OEM、産業用制御企業から信頼されるサプライヤーとなっています。当社の製品は、ドイツ、米国、日本、韓国、ブラジル、インドを含む 40 か国以上に輸出されています。 「小さな基板スペースで大容量の電力」というアプリケーション分野において、豊富な業界経験を活かし、包括的なカスタマイズサービスと確実な納入サポートを提供いたします。当社は12か月の保証と専門的なアフターサービスを提供し、世界中の顧客に長期的な価値を創造することに尽力しています。



ホットタグ: 縦型セラミック巻線抵抗器、メーカー、サプライヤー
お問い合わせを送信
連絡先情報
お見積りやご協力に関するお問い合わせは、メールまたは下記お問い合わせフォームよりお気軽にどうぞ。弊社営業担当より24時間以内にご連絡させていただきます。
X
当社は Cookie を使用して、より良いブラウジング体験を提供し、サイトのトラフィックを分析し、コンテンツをパーソナライズします。このサイトを使用すると、Cookie の使用に同意したことになります。 プライバシーポリシー
拒否する 受け入れる